Kreiselpumpen Störung? Muss nicht sein! – Dank eigensicherer Kreiselpumpen
Um ungeplante Stillstände und Produktionsausfälle zu vermeiden, werden in der Chemieindustrie zunehmend Diagnose- und Frühwarn-Systeme zur Störungserkennung eingesetzt. Welche Chancen eigensichere Pumpen ohne diesen zusätzlichen Aufwand bieten, zeigen Beispiele aus der Praxis.
Anbieter zum Thema

Die schwierigen Einsatzbedingungen von Pumpen in der Chemie und Petrochemie sind ein häufig diskutiertes Thema. Feststoff-, gashaltige oder korrosive Medien und ihre Handhabung, einzuhaltende Standards wie Sicherheits- und Umweltschutzbestimmungen, gesetzliche Vorschriften (z.B. TA-Luft) oder die streng geregelte Explosionsschutzrichtlinie (Atex) machen es nicht gerade einfach.
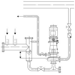
Schauplatz Raffinerie: In einer der modernsten Raffinerien Europas produziert ein internationaler Konzern jährlich u.a. bis zu drei Millionen Tonnen Benzin; in der Destillationsanlage werden am Tag ca. 30 000 Tonnen Rohöl verarbeitet. Seit 1997 gelangen die fertigen Produkte von diesem Standort aus über Straße, Schiene und Pipeline zu den Abnehmern. Zur Förderung von Kondensaten wurden hier standardmäßig Pumpen mit produktgeschmierten Gleitlagern eingesetzt.
Gängige Pumpen dieser Art haben den wesentlichen Nachteil, dass sie durch das vom Fördermedium oder von Fremdwasser umspülte Gleitlager nicht trockenlaufsicher sind. Das führt – wie in folgendem Fall – zu häufigen Stillständen mit teuren Folgeschäden und hohen Instandsetzungskosten. Gleichzeitig lösen pulsierende Druckstöße – verursacht durch eine Min.- /Max.-Schaltung im Plattenwärmetauscher des Kraftwerks – Störungen aus. Das führt regelmäßig zu weiteren Schäden mit enormen Folgekosten. Nach zahlreichen Ausfällen und wiederkehrenden Problemen entscheidet sich das Unternehmen 2008 endgültig zur Umrüstung.
Eine störungsfreie und pulsationsarme Förderung und Einsparung der enormen Instandhaltungskosten stehen dabei ganz oben auf der Wunschliste. Nach einem konzerninternen Erfahrungsaustausch darf die selbstregelnde Vertikalpumpe vom Typ V-AN ihren Dienst antreten. Im konkreten Fall dichtet die Pumpe während des Betriebs durch reibungs- und verschleißfrei arbeitende Rückenschaufeln hydrodynamisch ab.
Der Vorteil: nur für den Stillstand muss abgedichtet werden. „Dazu reicht eine einfache Grafitstopfbuchse aus. Nicht einmal ein Sperrsystem ist notwendig“, so Sadko Meusel, Vertriebsingenieur bei Bungartz. Durch die selbstregelnde Physik der Pumpe entfallen Zusatzeinrichtungen komplett. Die unmittelbare Reaktion der Pumpe auf den Volumenstrom bewirkt eine extrem pulsationsarme Förderung. Ein Mindestvolumenstrom ist nicht erforderlich. Die hohe Verfügbarkeit verdankt die Pumpe ihren fettgeschmierten Wälzlagern und dem Selbstentlüftungseffekt. Aktuell läuft die beschriebene Pumpe im siebten Jahr vollkommen wartungs- und störungsfrei.
(ID:43334444)