Explosionsgefahr Zucker Zucker sicher verladen - So verhindern sie den großen Knall

Von Kai Schlüter

Anbieter zum Thema

Zuckerstaub ist eine der größten Gefahrenquellen für Staubexplosionen überhaupt. Besonders hoch ist die Explosionsgefahr durch elektrostatische Aufladung bei Verladeprozessen von LKW und Big Bags. Wie Sie beim Verladen immer auf der sicheren Seite sind und warum Erdung hilft.

Wer mit Zucker arbeitet lebt gefährlich, LKWs müssen vor dem Beladen geerdet werden, damit sich der Zuckerstaub nicht entzündet. Im Bild zwei Silowagen vor einem Zuckersilo. (Bild:  ©navintar - stock.adobe.com)
Wer mit Zucker arbeitet lebt gefährlich, LKWs müssen vor dem Beladen geerdet werden, damit sich der Zuckerstaub nicht entzündet. Im Bild zwei Silowagen vor einem Zuckersilo.
(Bild: ©navintar - stock.adobe.com)

Seit mehr als 200 Jahren ist die Zuckerindustrie ein etablierter Zweig der deutschen Wirtschaft. Im Jahr 2019/20 wurden alleine in Deutschland rund 4,2 Millionen Tonnen Zucker erzeugt. 85 Prozent der in Deutschland abgesetzten Menge wurde anschließend im Handwerk, der chemischen Industrie und der Fermentationsindustrie weiterverarbeitet.

Zuckerstaub gilt in Verbindung mit Luft als explosionsfähiges Gemisch. Abhängig von der Korngröße des Materials können Explosionen bereits ab einer sehr niedrigen Zündenergie von 5mJ möglich sein. Damit gehört Zuckerstaub zu den explosionsgefährlichsten Stäuben in industriellen Prozessen und kann durch eine Vielzahl von Zündquellen, beispielsweise mechanische oder elektrische Funken, entzündet werden.

In und um Förderanlagen knallt es am häufigsten

Rund 27 Prozent aller Explosionen im Bereich der Nahrungs- und Futtermittelindustrie entfallen auf die Bereiche in und um Förderanlagen und Elevatoren (Quelle: FSA Leitfaden S. 53). Aufgrund der starken Explosionsfähigkeit von Zucker werden viele Anlagen und Betriebsbereiche der weiterverarbeitenden Industrie bei der sicherheitstechnischen Betrachtung als Explosionsschutzzonen festgelegt.

Seminar: Risikoermittlung in der Anlagensicherheit

In unserem Seminar „Risikoermittlung in der Anlagensicherheit“ lernen Sie mit welchen Methoden die Risiko- und Gefährdungsermittlung bei Prozess- und Chemieanlagen erfolgen kann und welche Tools dazu geeignet sind. Anhand eines konkreten Beispiels der Risikoanalyse einer Betriebsvorlage (Behälter) wird mit den vorgestellten Tools unter Anwendung der Methode PAAG-/LOPA eine Risikoanalyse durchgeführt. Aufgrund der aktuellen Corona-Pandemie ist diese Veranstaltung auch als Live-Webinar buchbar.

Big Bag Abfüllungen sowie die Beladung von Silofahrzeugen werden deshalb fast ausschließlich in den Explosionsschutzzonen 21 bzw. 22 durchgeführt. In diesen Zonen liegt ein Hauptaugenmerk darauf, mögliche Zündquellen zu minimieren und im besten Fall vollständig zu verhindern. Als mögliche Zündquelle kommt bei Verladeprozessen mit Zucker insbesondere elektrostatische Aufladung in Betracht.

Elektrostatische Aufladung entsteht immer dann, wenn zwei Stoffe mit hoher Geschwindigkeit aneinander reiben, wie bei der Förderung von Zucker in Rohren oder dem Einblasen in Tanks. Ist mindestens einer der beiden Stoffe vom Erdpotenzial isoliert oder sehr schlecht leitfähig, kann die entstehende, elektrostatische Aufladung nicht abgeleitet werden und die elektrische Ladung sammelt sich auf dem Material an.

Auf die Zündenergie kommt es an

Wird dann ein geerdeter Gegenstand angenähert oder die Felddurchbruchstärke überschritten, kann es zu einer schlagartigen und hochenergetischen Funkenentladung kommen. Die dabei freiwerdende Zündenergie ist abhängig von der elektrischen Kapazität des Objektes, auf dem sich die Ladungen angesammelt haben. Typischerweise kann man bei kleinen bis mittleren Metallbehältern von Zündenergien zwischen 3 bis 60 mJ ausgehen (Quelle:TRGS 727). Silo-LKW hingegen können aufgrund ihrer Behältergröße sogar Zündenergien von deutlich über 120mJ aufweisen. Die potenziellen Zündenergien sind also mehr als ausreichend, um explosionsfähige Zucker-Luft-Gemische zu entzünden.

Aus diesem Grund gibt in Deutschland die TRGS 727 Aufschluss darüber, welche Maßnahmen getroffen werden müssen, um die Gefahren durch elektrostatische Aufladung bestmöglich zu verhindern. Eine Grundaussage des Normenwerks ist „Erdung hilft!“.

Beispielaufbau eines Erdungstestgeräts(Bild:  Timm)
Beispielaufbau eines Erdungstestgeräts
(Bild: Timm)

Eine ableitfähige Erdverbindung verhindert die elektrostatische Aufladung, indem sie entstehende Ladungen direkt zum Erdpotenzial ableitet. So können sich keine Ladungen auf dem Material ansammeln.

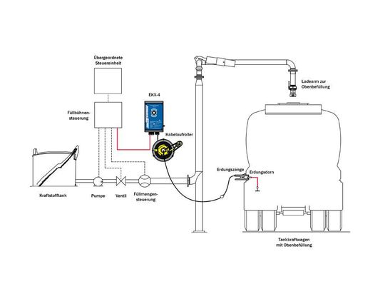
Dabei sollte bei LKWs darauf geachtet werden, dass der Widerstand in der Erdverbindung einen Wert von 10^6 Ohm nicht überschreitet. Um diesen Grenzwert sicherzustellen ist es deshalb nach TRGS 727 zweckmäßig, eine überwachte Erdung zu nutzen um bei unzureichender Leitfähigkeit die Gefahr zu signalisieren und gegebenenfalls die Verladeprozesse automatisiert zu stoppen. Zusätzlich ist es sinnvoll, die Verladung erst nach einem Freigabesignal freizuschalten.

Mit Erdungsgeräten LKWs absichern

Moderne Erdungsgeräte wie das "TIMM EKX-4" sind dazu mit verschiedenen, elektrischen und mechanischen Schnittstellen ausgerüstet, um Freigabe- und Stoppsignale an die Prozessleittechnik zu übermitteln. In Kombination mit der integrierten Objekterkennung stellt das Gerät zusätzlich die fehlerfreie Anwendung der Erdung sicher, indem überprüft wird, ob auch wirklich ein LKW angeschlossen ist.

Erdungstestgerät mit EKX-4 mit ATEX-Kabelaufroller(Bild:  Timm)
Erdungstestgerät mit EKX-4 mit ATEX-Kabelaufroller
(Bild: Timm)

Ähnlich verhält es sich bei der Verarbeitung von Zucker in Big Bags. Typischerweise werden Big Bag Verladeanlagen für Zucker in die Ex-Zone 21 eingestuft , in der in Abhängigkeit von der Mindestzündenergie des verarbeiteten Materials ableitfähige Big Bags, die sogenannten FIBC Typ C, vorgeschrieben sind (Quelle: FSA Leitfaden S. 53 S.69). Dieser Typ von Big Bags muss laut TRGS 727 in der Gegenwart von brennbaren Stäuben, Gasen und Dämpfen während der Befüllung und Entleerung leitfähig mit dem Erdpotenzial verbunden sein. Die Verwendung eines solchen Big Bags ohne ausgewiesene Erdverbindung stellt die Erdung des Schüttguts nicht sicher.

Jetzt Newsletter abonnieren

Verpassen Sie nicht unsere besten Inhalte

Mit Klick auf „Newsletter abonnieren“ erkläre ich mich mit der Verarbeitung und Nutzung meiner Daten gemäß Einwilligungserklärung (bitte aufklappen für Details) einverstanden und akzeptiere die Nutzungsbedingungen. Weitere Informationen finde ich in unserer Datenschutzerklärung. Die Einwilligungserklärung bezieht sich u. a. auf die Zusendung von redaktionellen Newslettern per E-Mail und auf den Datenabgleich zu Marketingzwecken mit ausgewählten Werbepartnern (z. B. LinkedIn, Google, Meta).

Aufklappen für Details zu Ihrer Einwilligung

Big Bags mit Erdungszange und Erdungskabel sichern

Für die praktische Anwendung bedeutet das, dass diese Big Bags vor jedem Befüll- und Entleervorgang mit einer funktionsfähigen Erdungsverbindung ausgestattet werden müssen, beispielsweise durch eine Erdungszange mit Erdungskabel. Allerdings besteht bei dieser recht simplen Lösung die Gefahr, dass die Kabelverbindung nicht leitfähig genug ist, beispielsweise weil ein Kabelbruch vorliegt oder die Erdungslasche des Big Bags nicht gut verarbeitet ist. In diesem Fall können sich trotz des Erdungskabels elektrostatische Ladungen auf dem Big Bag ansammeln und zur Zündung der explosionsfähigen Atmosphäre führen.

Überwachte Big Bag-Erdung mit EKX-FIBC(Bild:  Timm)
Überwachte Big Bag-Erdung mit EKX-FIBC
(Bild: Timm)

Um diesen Problem entgegenzuwirken sollte auch bei Big Bags eine überwachte Erdung mit Objekterkennung mithilfe eines Erdungsgerätes wie dem "TIMM EKX-FIBC" durchgeführt werden. Nur so kann sich der Anwender jederzeit sicher sein, dass der Big Bag normgerecht geerdet ist, da die Ableitverbindung automatisch und dauerhaft überprüft wird.

Für die aufsichtspflichtige Person wiederum ergibt sich durch die Objekterkennung die zusätzliche Gewissheit, dass die Erdung nicht vergessen und das Erdungskabel auch tatsächlich am Big Bag angeschlossen wird. Fehlbedienungen werden also effektiv vermieden. Über die Steuerausgänge können die Prozesssteuerung sowie Lampen oder Hupen angesteuert werden, um den sicheren bzw. unsicheren Zustand zu signalisieren.

Zucker braucht viel Aufmerksamkeit beim Verladen

Insgesamt lässt sich also festhalten, dass Zucker aufgrund seiner geringen Mindestzündenergie zu den Stäuben mit den höchsten Explosionsrisiken gehört und deshalb besonderer Aufmerksamkeit bedarf. Da elektrostatische Aufladungen ausreichen können, ein solches Zucker-Luft-Gemisch zu zünden sollten in Deutschland die Angaben der TRGS 727 beachtet werden. Diese schreibt für LKW eine Erdverbindung mit einem maximalen Ableitwiderstand von 10^6 Ohm vor, welche vor dem Befüllen oder Entleeren angebracht werden muss.

Eine Überwachung der Verbindung wird dabei als zweckmäßig angesehen. Für Big Bags Typ C gilt, dass diese vor jeder Befüllung und Entleerung mit einer leitfähigen Erdverbindung ausgestattet werden müssen, welche einen Widerstandswert von 10^7 Ohm nicht überschreiten darf. Für beide Arten der Erdung ist es sinnvoll, ein Erdungsgerät zur überwachten Erdung zu nutzen. So kann zum einen durch die Objekterkennung die richtige Anwendung der Erdung sichergestellt werden und zum anderen die Qualität der Erdungsverbindung zu jedem Zeitpunkt überwacht werden. Mithilfe der Signale der Steuerausgänge kann im Gefahrenfall schnellstmöglich reagiert und damit den Zündgefahren elektrostatischer Aufladung effektiv vorgebeugt werden.

* Der Autor ist Vertriebsingenieur Ex-Schutz bei H. Timm Elektronik GmbH, schlueter@timm-technology.de

(ID:47101681)